发布时间:2012-01-4 阅读量:1451 来源: 我爱方案网 作者:
中心议题:
* 简要介绍车载电源的需求
* 重点介绍一款由 TI 推出的DC-DC 转换器 TPIC74100
解决方案:
* TPIC74100-Q1 频率调制方案
* TPIC74100-Q1 采用具有散热焊盘的 20 引脚 PWP 封装方案
车载电源管理的要求正变得愈加苛刻,其要求电源能够工作在更宽泛的输入电压范围、更高的电流及更高的温度极值条件下。这些要求将使开关模式电源设计成为主流,因为这种电源设计具有更大的灵活性、更优异的可配置性和更高的散热效率。
开关模式的电源的核心组件是 DC-DC 转换器。今天的车载转换器必须能够支持各种运行条件,例如:低压运行(也就是冷启动)和正瞬态生存性 (positive transient survivability)(也就是抑制或未抑制的抛负载状态)。车载子系统的出现所带来的更高负载需求使得这些数据的设计变得更为复杂。本文将给设计者提供一个关于车载电源需求的简要介绍,并且介绍一款由 TI 最近推出的新型 DC-DC 转换器 TPIC74100。
瞬态保护
抛负载
几乎所有直接连接至汽车电池的电子组件和电路都要求保护,以免于受到抑制、瞬态电压(高达60V)和反向电压状态的损害。对于这些电子电路而言,必须能够经受住电源线路上一定程度的过电压,这也是种常见的要求。对于那些要求任何特殊车载电子系统的主电源输入均能够在各种不同瞬态电压状态(包括交流发电机抛负载)下工作的车载系统来说尤为如此。
由于交流发电机控制环路关闭的速度不够快,因此,在将电池电压去除掉时,其会产生一个高输出电压脉冲。正常情况下,在汽车某个中央位置,这种高能脉冲被控制(或抑制)在一个较低的电压范围内。但是,汽车制造商还是给其供应商规定了在其电源输入端可能出现的剩余过电压。这种情况在不同轿车厂商中有所差异,但是轿车的标准峰值大约为 40V,而商务车的标准峰值则大约为 60V。一个典型抛负载脉冲的持续时间为十分之几秒,下图(图 1)显示了该抛负载状态下的典型脉冲。
.png)
图1 一个抛负载瞬态的图表描述
仪表板应用中的冷启动
车载环境对于电源管理芯片的需求正日益增加。这些需求之一便是需要电源管理 IC 能够在一个宽电压偏移范围内工作,直接连接至电池的电子系统通常都会有这种电压偏移范围。通过观察该冷启动脉冲,可以描述出此类瞬态的一个实例。这种状态可发生在寒冷环境下车辆的第一次启动。如果温度足够低(冷却至零摄氏度),那么引擎的油就会变得粘稠,通过要求提供更高的功率(扭矩),这就对马达提出了重负载要求。这样就需要能够提供更高电流的电池。重负载需求可以在该点火周期内将电池电压立刻下拉至 3V。
我们所面临的挑战是,一些应用必须在该过程中保持运行。这些应用并非只限于动力传动系 ECU 或者安全苛求的应用,在一些集群和信息娱乐子系统中也同样可以看到这些应用的踪影。当出现该状态时,电源管理芯片必须对输入电压进行升压,以便保持正确的调节输出电压,从而使这些电子系统可以正确地发挥作用。
.png)
图2 输入电压变化或冷启动
可用于升压∕降压转换的拓扑结构包括若干种类:SEPIC(单端初级电感转换器),或一种纯降压∕升压转换器。
SEPIC 转换器
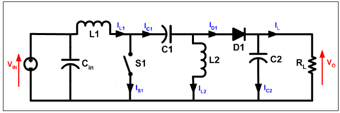
SEPIC 转换器提供了一种降压转换,直到输入电压等于或者降到输出电压电平之下。然后,其将提供升压转换,直到电池电压降至最小容许输入电压的电平。使用 SEPIC 的一个主要弊端是,它需要一个单耦合电感器(变压器)或者两个单独电感器,以及一个耦合电容器,如图 3 所示。
.png)
图3 使用两个单独电感的SEPIC拓扑结构
这些电感器和线圈的体积均较大,需要占用更多的 PCB 空间。在那些必须保持体积尺寸和板级空间的应用中,这种情况就更加不适宜。
启动降压-升压转换器
车载应用中,对于降压-升压转换器的需求在过去的几年中急剧增长。对于那些电压瞬态期间(例如:冷启动)需要继续“存活”的应用而言,这就更加有益。
该降压-升压转换器是一款典型的 DC-DC 转换器,其具有一个大于或者小于输入电压振幅的输出电压振幅。它是一款开关模式电源,具有同升压转换器和降压转换器相类似的电路拓扑结构。根据开关晶体管的占空比,可是可以对该输出电压进行调节。
这种拓扑结构由一个降压功率级及其两个功率开关组成,这两个开关又通过功率电感被连接至一个升压功率级及其两个功率开关。这些开关能够以三种不同的运行模式进行控制:降压-升压模式、降压模式和升压模式。运行的特殊芯片模式是输入到输出电压比率的函数,同时也是芯片的控制拓扑结构。
TPIC74100-Q1 是一款降压-升压开关模式调节器,其在电源概念下工作,以确保一个带输入电压偏移和规定负载范围的稳定输出电压。
TPIC74100-Q1 拥有完整的电压模式控制开关,也是在同步配置中被设计出来的,以获得整体增强效率。借助于一些外部组件(LC 组合),该器件可将输出调节至 5V±3%,以实现一个宽泛的输入电压范围,使其可以被许多高输入电压所应用。当 5V 输出轨超出规定容差时,该器件还可提供一种复位功能,用于检测和指示。
TPIC74100-Q1 拥有一个频率调制方案,允许系统设计通过在频带上扩散频谱噪声(而非在特定频率上达到峰值)来满足 EMC 要求…
5Vg 输出是一种开关 5V 调节输出,其带有内部电流限制功能,以在驱动一个电源线路电容性负载时防止“复位”声明 (assert)。这种功能由 5Vg_ENABLE 终端控制。如果该输出(5Vg 输出)上有一个接地短路,那么输出将通过在斩波模式下运行来进行自我保护。但是,在该故障状态下,这样做就会增高 VOUT 的输出纹波电压。
.png)
图4 TPIC74100 概述
降压-升压转换
根据输入电压 (Vdriver) 和输出负载条件的不同,该运行模式在降压和升压模式之间进行自动切换。
在正常运行模式中,该系统将会被配置为一个降压转换器。但是,在低输入电压脉冲期间,该器件自动地转换到升压模式运行,以维持 5V 的电压调节。当该器件正运行于升压模式且处于 5.8V 至 5V 的转换 (crossover) 窗口中时,输出调节可能包含一个高于正常情况的纹波,并且仅维持一个 3% 的容差。这种纹波和容差取决于负载情况,负载条件越高,性能就越高。
.png)
图5 降压/升压结构
低功耗运行
在一些应用中,例如:传动系和仪表板群,要求低功耗模式运行以使车辆点火处于“关闭”时的功耗处于最小。TPIC74100-Q1 拥有一个输入 LPM,当其在轻负载(通常小于 30mA)期间被开启时将运行在 PFM(脉冲频率调制)中。在大多数系统中,许多存储器设备在点火处于“关闭”状态时仍然需要一些功率来保留数据,通常需要不到 100uA 的电流。为了支持这种运行模式,总模耗应低于 300uA。TPIC74100-Q1 拥有 150uA(典型值)静态电流的低功耗模式。通过开关频率的变化完成调节。
在 PFM 模式下,用于输出负载的减少的负载电流量是不存在的。在这种模式下,转换器效率更低,由于更高的负载电流,输出电压纹波将比 PWM 模式下稍大一些。实现低功耗模式功能,以实现降压模式运行。在升压模式条件下,该器件将会自动进入 PWM 模式。通过开启低功耗模式,降压和升压之间的转换还有 PWM 模式和 PFM 模式之间的转换将同时进行。
结论
在许多车载应用中,车载瞬态电压是一个将会不断给设计人员带来挑战的问题。在许多需要在这些条件下不断保持运行的车载电源管理系统应用中,或者当电池电压意外地降到要求输出电压电平之下时,降压-升压转换器将起到一个关键作用。TPIC74100-Q1 车载降压/升压转换器将简化车载环境中的设计,并且使设计工程师可以节省外部组件数量和 PCB 空间(其具有功率开关和同步运行集成的特点)。TPIC74100-Q1 采用一个具有散热焊盘的 20 引脚 PWP 封装,其规定的工作温度范围为 -40℃~+125℃。
数据中心运营商Digital Realty Trust Inc.计划在意大利投入20亿欧元(约合23亿美元),在未来五年内建设数据中心,这是其欧洲地中海地区扩张战略的关键组成部分。
4月14日上午,据“坪山区应急管理”通报,当日2时48分坪山区马峦街道一立体车库发生火情。
ASML 阿斯麦 2026 年第一季度净利润 27.57 亿欧元
三星电子会长李在镕正面临自公司废除“无工会”管理政策以来最严峻的劳资危机,双方在工资与集体谈判上陷入僵局
微软近期大幅上调了Surface系列设备的售价,成为最新一家因内存芯片历史性短缺而将成本压力转嫁给消费者的个人电脑制造商。