发布时间:2026-03-19 阅读量:5043 来源: 我爱方案网 作者: bebop
在无人机工业检测、蜂群协同及安防巡检等高端应用中,视频传输的实时性与保真度是决定任务成败的核心要素。传统的模拟接口相机因其带宽瓶颈,在传输高清视频时易出现信号衰减、画面卡顿及数据丢失等问题,已无法满足复杂环境下对高质量远程视频传输的严苛需求。
MIPI接口支持数Gbps级传输速率,可轻松应对1080P高清视频及高帧率图像的实时传输需求。对于无人机蜂群这样的应用场景,能够减少画面卡顿或延迟,提升控制稳定性。而且MIPI采用低电压差分信号(LVDS)传输,能够显著减少功耗。对于依赖电池供电的无人机来说,可减少续航烦恼。
在此背景下,我爱方案网推荐基于瑞芯微RV1126开发的图像处理板,方案为无人机设计的MIPI口AI模块,模块设计两路MIPI可见光接口,一路DVP红外接口,能够基于输入的可见光或者红外的视频流,可实时对人、车、船、无人机等目标进行自主检测、识别,并自动或人为选择目标进行锁定、跟踪,同时输出目标相对于视野中心的脱靶量信息。

扫码可申请免费样片以及获取产品技术规格书

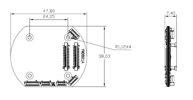
方案具体规格如下:
模块整体尺寸约为48*38*8mm,重量约9g,功耗不高于4W,整体表现在轻量化、低功耗的特点。2T算力,能够满足多场景的应用需求。


更多瑞芯微RV1126方案推荐:


TC-1126 IPC摄像头模组 50板是视频处理电路与摄像头组合的即插即用模块,非常适合设备终端客户快速导入AI和自动化智能,包括人脸识别、手势识别、闸机门禁、停车场车牌识别、智能安防、IPC 智能网络摄像头、智能门铃/猫眼、自助终端、智慧金融、智慧工地、智慧出行等应用场景。本模块有三个标配摄像头供选择,200万像素IMAX 307,500万像素IMAX 335,800万像素IMAX 415,他们都是用同一个主板,有多个音频接口。
扫码可申请免费样片以及获取产品技术规格书

该产品是前代RZ系列产品的全面升级,RZ/T2H处理器具备强大的硬件支持、全面的软件开发工具、丰富的工业以太网协议与安全解决方案,以及多操作系统的灵活配置,为客户提供了一站式、高效率的开发平台。
该方案已应用于电池租赁、换电柜、共享电动车、电池制造、电动车制造等行业,是一站式BMS电池远程监控解决方案。
电动二轮车充电器主要由变压器、整流电路、滤波电路和控制电路等组成
总线型伺服驱动器方案是现代工业自动化领域中用于实现多轴伺服系统精准控制和高效协同的先进技术方案
编码器作为工业自动化与智能制造的核心组件,凭借高精度、实时反馈和智能化控制等特性,广泛应用于机器人、自动化控制、数控机床、电梯、新能源等领域,同时,作为实现精准控制和反馈的关键部件,其性能优势直接决定了整个系统的稳定性和控制精度。