发布时间:2026-04-9 阅读量:149 来源: 我爱方案网 作者: bebop
无刷直流电机(BLDC)的无传感器控制技术是现代电机控制领域的重要技术方向,通过检测反电动势过零点来确定转子位置,实现无位置传感器的精确控制。

适合无传感器BLDC电机控制方案的应用场景:
不适合的应用场景:
无感BLDC电机控制技术特点:
在实际应用中,开发者需要根据具体的电机参数和应用需求,对控制参数进行优化调整,以获得最佳的控制性能。为了帮助工程师加速BLDC电机控制方案开发应用,我爱方案网推荐基于国产高性能MCU开发的BLDC电机控制方案,它能够帮助伺服、变频控制和电动自行车等领域应用的终端设备制造商选用即插即用方案PCBA。
扫码可申请免费样片以及获取产品技术规格书

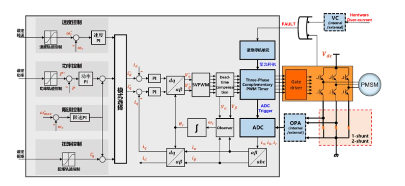
1.高速电机方案

方案可选用HC32M140、HC32M120、HC32F460作为主控,采用无感FOC控制系统,支持单电阻、双电阻采样,可工作在恒转速、恒功率、恒扭矩等模式下。系统最高转速可达12万转(当使用HC32F460时更可高达15万转),适用于高速吹风机、高速吸尘器等产品。
方案特点
快速启动:启动稳定可靠,可在500ms内加速至额定转速
快速停机:采用主动刹车,无过压、过流风险,支持掉电刹车
高速控制:最高电转速可达2000+Hz
工作电压范围大:适用220VAC、110VAC、24VDC供电
丰富的保护功能:过欠压、过流、过功率、堵转、缺相等系统保护
应用场景:
吹风机、扫地机、吸尘器、冰箱、空调、洗衣机等大小家电领域。




扫码可申请免费样片以及获取产品技术规格书

我爱方案网推荐基于瑞芯微RV1106/03B产品推出的低功耗AOV IPC方案,其搭载的AOV(Always on Video)全时录像技术,从根本上打破了这一困局。
作为一种基于“基础指令集+扩展模块”设计的开源、免费、模块化指令集架构,RISC-V的核心优势在于支持各种协议能够灵活适配各类计算场景,尤其在AI边缘计算和物理AI(如机器人)领域表现出色,被视为下一代算力基石。
电池管理系统(BMS)由电池管理单元(BMU)、电池监测单元(CMU)和电池接线盒(BJB)三个模块组成,是用于监测和管理电池系统性能的关键组件。
在伺服系统迈向高精度与高动态响应的技术演进中,电流环作为最内层的核心控制回路,其采样精度与实时性直接决定了系统的性能上限。
在边缘计算场景中,算力与实时性的平衡始终是技术演进的核心课题。