发布时间:2022-06-27 阅读量:1139 来源: 我爱方案网整理 发布人: Aurora
开发板原理图上面蜂鸣器的电路图是这样的,根据视频知道它是一个无源蜂鸣器。

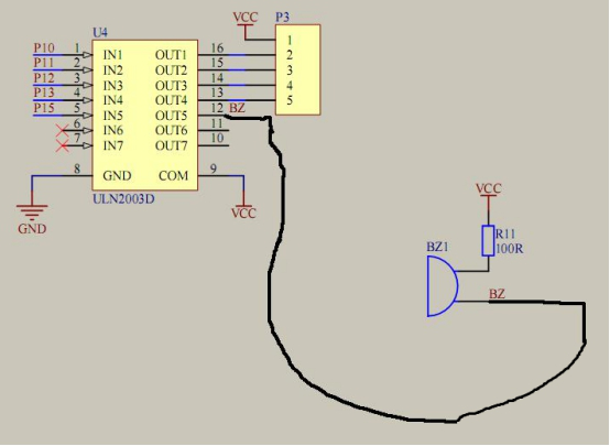
可以看到蜂鸣器的一端和电阻相连,另一端和引脚BZ相连,注意这个BZ并不是元气名称,有图可知,元气名称都是蓝色的,而这个BZ是红色的。
我们在开发板原理图上找一个BZ引脚,发现在ULN2003D这个芯片上有BZ引脚,所以我们就把蜂鸣器的图和ULN2003D的图放在一张图上,而且把他们该连的引脚连起来了。

有图可知BZ1蜂鸣器的BZ引脚和ULN2003引脚的12引脚相连的,这是一个输出引脚,对应的输入引脚是5引脚,有图可知STC89C52单片机的P15引脚是和ULN2003的5引脚相连的。
所以可以通过单片机来控制蜂鸣器,是这么个道道。
ULN2003
看不懂芯片原理图 待续?

以上是我整理的资料,达林顿管为什么有反向的作用还是不明白?达林顿管不是放大电流的吗?为什么有反向的作用?续流二极管也不明白
有个问题好像明白了,为什么单片机的P15不能直接和BZ1的BZ引脚相连? 因为让想让蜂鸣器发声是需要一定的电流大小的,而单片机引脚输出的电流非常小,所以必须把单片机引脚输出的这个电流放大,放大电流我们可以用三极管,实际上在网上可以找到很多用三极管驱动蜂鸣器的例子。
比如下图:

但是为什么在STC89C52中是用ULN2003来驱动蜂鸣器的呢?因为板子上没有单独的三极管供我们使用,而ULN2003也有放大电流的作用,同时也是为了熟悉ULN2003这个芯片。
想一下为什么发光二极管就和单片机的引脚直接相连,LED工作不需要驱动电流吗? 我猜测是单片机引脚的电流正好可以驱动LED。
其实有一个很简单的道理,任何用电器都需要一个工作电压,比如蜂鸣器,比如LED灯。这个电压叫额定电压,有的叫驱动电压,驱动电流都是一个意思,额定电压知道了,额定电流就知道了。就拿蜂鸣器来说,额定电压是5V,那么可以推算出额定电流,P15直接接蜂鸣器会导致流入蜂鸣器的电流不满足额定电流,怎么办?让电流放大直到满足额定电流,电流放大用什么东西呢?三极管或者ULN2003,就是这么个思路,理清楚了。
在任何数字电子系统中,时钟信号都扮演着“心脏起搏器”的角色。
RTC晶振与普通32.768kHz晶振的PCB设计要点基本一致,其核心均在于通过优化布线以降低杂散电容、确保频率精度,并依托合理的布局规划最大限度屏蔽来自板上其他信号源的电磁干扰。
按晶振的功能和实现技术的不同,分为温度补偿晶振(TCXO)、压控晶振(VCXO)、恒温晶振(OCXO)。
为了在性能与功耗之间取得最佳平衡,需要根据具体应用场景,对基准时钟进行相应的分频、倍频或转换处理,从而为各模块提供适宜的时钟信号。此时,分频技术就成为连接晶振基准频率与系统需求的关键,通过数字电路将晶振原始频率按固定比例降低,输出符合要求的低频时钟信号。
RTC芯片是一种专门用于精准计时、掉电续时的专用集成电路,其核心功能是提供精准、稳定的时间信息(包括秒、分、时、日、月、周、年),并能在主电源断电后依靠备用电池继续保持计时,从而确保时间持续不间断。