发布时间:2022-09-5 阅读量:1614 来源: 我爱方案网整理 发布人: Aurora
Y电容是分别跨接在电力线两线和地之间(L-E,N-E)的电容,一般是成对出现。基于漏电流的限制,Y电容值不能太大,一般Y电容是nF级,Y电容抑制共模干扰。
Y电容是安规电容的一种,安规电容是指用于这样的场合:即电容器失效后,不会导致电击也不会不危及人身安全。也就是因为这样安规电容与其他普通的电容有着不一样的地方,普通的电容在电源断开之后很长一段时间还会保留一定残留电压,一旦手触碰到就会发生电击,而安规电容却不会。
Y电容大多数为蓝色,但是也有黄色的,由于是安全电容,因此Y电容上面一般都会标有相关的认证,例如CQC、VDE、UL等认证,如图1。

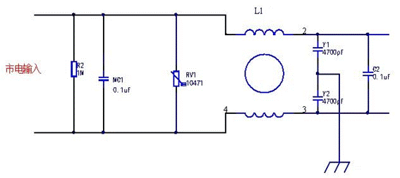
Y电容通常接于零线与地或者火线与地之间,如图2是I级EMI滤波电路,Y1和Y2是Y电容,通常两个串联一起。
根据耐高压分为Y1、Y2、Y4三个等级,其中:
· Y1电容耐高压值>8 kV;
· 5 kV<Y2电容耐高压值<小于8 kV;
· 2.5 kV<Y4电容耐高压值<小于5 kV。
漏电流
对于开关电源,Y电容通常接于一次侧(初级)与二次侧(次级)之间,如图3,Y电容器可为一次侧耦合到二次侧的干扰电流提供回流路径。

那么,Y电容容量为什么不能太大呢?
我们知道Y电容对于EMC有很大的帮助,由于是共模电容,因此需要接地,那么就会有一个漏电流,还是以上面的EMI滤波电路为例:
Y电容漏电流 I=2πfCU
其中:
f 是市电频率,即50Hz;
C为Y电容总容量4700pF+4700pF=9400pF;
U对地端电压,这里取110V即可。
则可以计算得出漏电流有0.32mA之多。
并且会发现漏电流与容量成正比关系,也就是说容量越大漏电流也就越大。对于220V/50Hz交流电网供电的用电器,很多国家都规定漏电流不得大于1mA;对于手持式以及移动设备等其他用电产品对漏电流也有不同的要求。因此如果电源产品需要接Y电容,容量一般都不是很大,有时候甚至去掉Y电容,因此我们经常看到的Y电容容量基本上都是不大于0.1uF。

关于我爱方案网
我爱方案网是一个电子方案开发供应链平台,提供从找方案到研发采购的全链条服务。找方案,上我爱方案网!在方案超市找到合适的方案就可以直接买,没有找到就到快包定制开发。我爱方案网积累了一大批方案商和企业开发资源,能提供标准的模块和核心板以及定制开发服务,按要求交付PCBA、整机产品、软件或IoT系统。更多信息,敬请访问http://www.52solution.com
在任何数字电子系统中,时钟信号都扮演着“心脏起搏器”的角色。
RTC晶振与普通32.768kHz晶振的PCB设计要点基本一致,其核心均在于通过优化布线以降低杂散电容、确保频率精度,并依托合理的布局规划最大限度屏蔽来自板上其他信号源的电磁干扰。
按晶振的功能和实现技术的不同,分为温度补偿晶振(TCXO)、压控晶振(VCXO)、恒温晶振(OCXO)。
为了在性能与功耗之间取得最佳平衡,需要根据具体应用场景,对基准时钟进行相应的分频、倍频或转换处理,从而为各模块提供适宜的时钟信号。此时,分频技术就成为连接晶振基准频率与系统需求的关键,通过数字电路将晶振原始频率按固定比例降低,输出符合要求的低频时钟信号。
RTC芯片是一种专门用于精准计时、掉电续时的专用集成电路,其核心功能是提供精准、稳定的时间信息(包括秒、分、时、日、月、周、年),并能在主电源断电后依靠备用电池继续保持计时,从而确保时间持续不间断。