MOSFET栅极驱动电路设计有哪些注意事项?

发布时间:2022-10-17 阅读量:1289 来源: 我爱方案网整理 发布人: Aurora

1、栅极-发射极尖峰电压防护

 

在 MOSFET 的栅极和源极之间添加一个外部齐纳二极管,可以有效防止发生静电放电和栅极尖峰电压。但要注意,齐纳二极管的电容可能有轻微的不良影响。


栅极尖峰电压的防护 


图 1 栅极尖峰电压的防护

 

2、 最佳的栅极电阻器

 

开关速度根据栅极电阻器值而有所不同。增大栅极电阻器值会降低MOSFET 的开关速度,并增大其开关损耗。减小栅极电阻器值会增大MOSFET 的开关速度,但由于线路杂散电感和其它因素的影响,可能在其漏极端子和源极端子之间产生了尖峰电压。


因此,必须选择最佳的栅极电阻器。有时会使用不同的栅极电阻器来开通和关断 MOSFET。图 2 显示了使用不同的栅极电阻器进行开通和关断的示例。

 

栅极电阻器 

 

图 2 栅极电阻器

 

3、 栅极故障预防

 

MOSFET 的一大问题在于其漏栅电容会导致出现寄生开通(自开通)现象。关断后,MOSFET 的源极和漏极之间形成陡峭的 dv/dt。产生的电流经由漏栅电容流到栅极。导致栅极电阻器中发生的电压降提高栅极电压。该电流计算如下:

 

iDG=Cgd·dVDS/dt

 

图 3 显示了电流通路。


如果 dv/dt 的斜率极为陡峭,则根据栅源电容与栅漏电容的比率为 MOSFET 的栅极施加电压。如果出现这种情况,可能会发生自开通。

 

如果在二极管反向恢复期间对处于关断状态的 MOSFET 施加快速变化的电压,也可能发生自开通。有三种方法可以防止出现自开通现象:

 

在栅极和源极之间添加一个电容器

 

在栅极和源极之间插入的电容器会吸收因 dv/dt 产生的漏栅电流。该电路如图 4 中所示。由于栅源电容器与 Cgs 在 MOSFET 内部并联连接,因此栅极电荷会增加。如果栅极电压固定,您可以通过改变栅极电阻器值来保持 MOSFET 的开关速度不变,但这样会增大消耗的驱动功率。

 

米勒箝位电路

 

米勒箝位电路利用开关器件使 MOSFET 的栅极与源极之间的通路发生短路。通过在相关 MOSFET 的栅极和源极之间添加另一个 MOSFET 来实现短路。在图 5 中,如果电压降至预定义电压以下,低于米勒电压,则通过比较器提供逻辑高,开通栅极和源极之间的 MOSFET。而这样又会使输出 MOSFET 的栅源通路发生短路,并抑制通过反馈电容器Crss 和栅极电阻器的电流导致的栅极电压升高。

 

可将关断栅极电压驱动到负值,避免其超过 Vth。但这种方法需要负电源

 

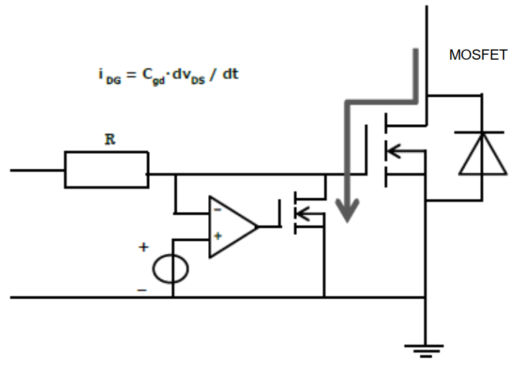
栅极故障的机理 

 

图 3 栅极故障的机理


在栅极和源极之间添加电容器 

 

图 4 在栅极和源极之间添加电容器

 

米勒箝位电路 

 

图 5 米勒箝位电路

 

我们使用图 6 中所示的电路模拟自开通现象。自开通由 iDG(dv/dt 电流)和栅极电阻造成,会导致发生误开通。

 

在反向恢复模式中,如果 Q2 在电感负载电流通过 Q1 的二极管回流时开通,电感电流会流过 Q2,导致相关的二极管关断。我们研究了对关断状态的 MOSFET 施加高 dv/dt 电压时会发生的情况。为促使发生自开通现象,图 6 中只改变了与 Q1 相关的栅极电阻器 R4。

 

自开通波形的测试电路 

 

图 6 自开通波形的测试电路

 

无自开通的波形(左图) 和 自开通波形(右图) 

 

图 7 无自开通的波形(左图) 和 自开通波形(右图)

 

接下来,如图 8 中所示,我们为图 6 中所示电路在 MOSFET Q1 的栅极端子和源极端子之间添加了一个电容器。该电容器的用途是吸收栅电流(Cgd·dVDS/dt),以便降低栅极电阻器产生的栅极电压,从而降低自开通电压。

 

图 9 显示了改进后的波形。由于栅源电容器的添加改变了 MOSFET 开关时间,应一并调整其电容和栅极电阻。


在栅极和源极之间添加电容器 

 

图 8 在栅极和源极之间添加电容器

 

改进后的自开通波形 

 

图 9 改进后的自开通波形

 

关于我爱方案网

 

我爱方案网是一个电子方案开发供应链平台,提供从找方案到研发采购的全链条服务。找方案,上我爱方案网!在方案超市找到合适的方案就可以直接买,没有找到就到快包定制开发。我爱方案网积累了一大批方案商和企业开发资源,能提供标准的模块和核心板以及定制开发服务,按要求交付PCBA、整机产品、软件或IoT系统。更多信息,敬请访问http://www.52solution.com

220x90
相关资讯
不同应用场景中的晶振分类知识合集1

按晶振的功能和实现技术的不同,分为温度补偿晶振(TCXO)、压控晶振(VCXO)、恒温晶振(OCXO)。

晶振分频原理:数字电路的周期性计数实现频率转换!

为了在性能与功耗之间取得最佳平衡,需要根据具体应用场景,对基准时钟进行相应的分频、倍频或转换处理,从而为各模块提供适宜的时钟信号。此时,分频技术就成为连接晶振基准频率与系统需求的关键,通过数字电路将晶振原始频率按固定比例降低,输出符合要求的低频时钟信号。

RTC时钟芯片的电路工作原理与解析

RTC芯片是一种专门用于精准计时、掉电续时的专用集成电路,其核心功能是提供精准、稳定的时间信息(包括秒、分、时、日、月、周、年),并能在主电源断电后依靠备用电池继续保持计时,从而确保时间持续不间断。

晶振启动时间影响因素解析与优化方向

​晶振的启动时间,通常是指其通电后进入稳定振荡状态所需的时间。若启动时间过长,可从以下五个常见的影响因素方面进行优化。

解析RTC实时时钟芯片的工作原理

RTC(Real-Time Clock,实时时钟)芯片作为一种独立的专用计时器件,其核心功能包括提供稳定的日历时钟、在主电源断电后持续运行、支持定时中断以及输出高精度时间戳,为各类嵌入式系统提供可靠的时间基准。