微型逆变器两种常见电路拓扑结构与实战方案

发布时间:2025-03-21 阅读量:4940 来源: 我爱方案网 作者: bebop

摘要:太阳能光伏产业的快速发展,对高效、小型化、高可靠性的微型逆变器的需求日益增长。相比于传统的串式或中央逆变器,微型逆变器直接安装在每个光伏组件上,实现单个组件级别的最大功率点跟踪(MPPT),从而提高整个系统的能量产出效率。本文将介绍几种常见的微型逆变器电路拓扑,并分享一些实战应用方案。


扫码可申请免费样片以及获取产品技术规格书

常见电路拓扑


从电路结构上而言,微型逆变器经历了从多级式到两级式,再到单级式的历程。电能从光伏电池板输出到与交流电网并联,中间经过的转换级数越少,效率往往越高。多级式或者两级式微逆如图1所示,由前级DC/DC加后级DC/AC构成,前级DC/DC具备MPPT与升压功能,将电压抬升至逆变所需直流母线电压,后级DC/AC逆变并网。
单极性微型逆变器如图2所示,它是微型逆变器中最简单的结构之一,它直接将直流电转换为交流电,无需额外的电压升压步骤。这种设计简化了电路结构,减少了元件数量,但可能需要更高的输入电压才能达到所需的输出电压水平。


图片

图1.两级型微型逆变器



图片

图2.单级型微型逆变器


两级式的微逆还有两种细分类型——电压源型和电流源型。电压源型控制交流侧的输出电压,前级DC/DC的输出如图3是一个稳定的直流电压,这种结构的微逆后级DC/AC工作在高频状态。电流源型的微逆主控量则是电流,其直流侧输出不再是稳定的直流,而是如图4所示这种带交流分量的“馒头波”,后级的工频极性转换电路将此馒头波分正负输出,形成并网的正弦波。这种电流源型的微逆相比于电压型微逆而言,器件的电压应力更小,结构与控制更简单,在目前主流的微逆机型中被广泛应用。


图片

图3.电压源型微逆的DC输出

图片

图4.电流源型微逆的DC输出


实战方案推荐:

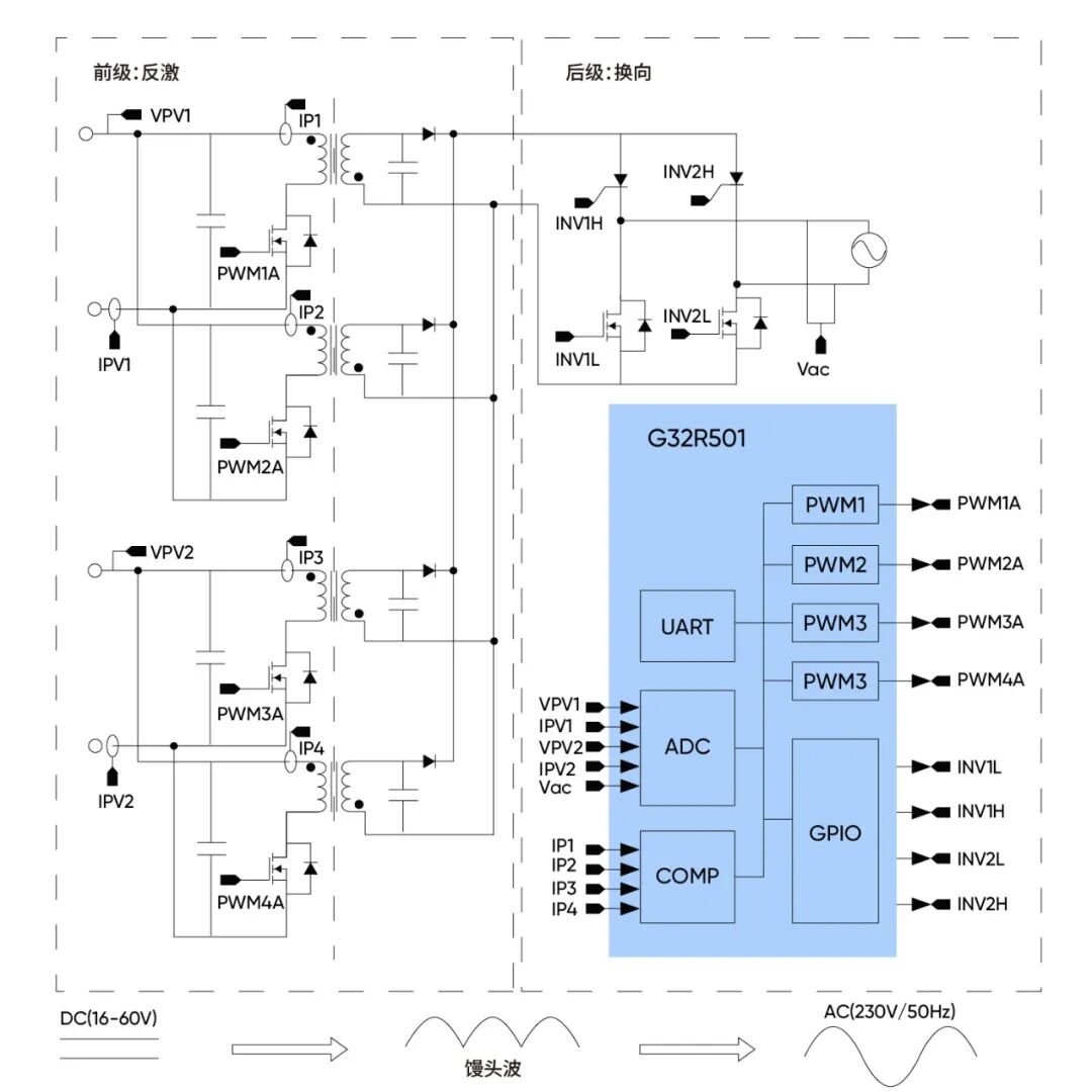
方案一:极海800W双路MPPT微型逆变器参考方案


图片


方案简介:


该方案通过G32R501实时控制MCU实现光伏微逆变器的数字控制,并可同时接入两路光伏输入,具有独立MPPT功能,额定功率800W,可使用锁相环追踪电网角度,支持并网运行模式。方案两路MPPT独立寻优,避免光伏系统中因组件的不匹配(比如阴影遮挡,光照角度等)导致整体发电量的损失,提升发电量至少5%;

另外单块组件损坏或逆变器故障,不会对整个系统运行产生影响,确保整体系统发电高效稳定;同时支持组件多朝向、多倾角安装(如屋顶不同斜面),最大化利用不规则空间,且兼容不同功率、型号的光伏组件,新旧设备可混合使用。

方案特点:


1.基于G325R01实时控制MCU单芯片方案,对反激和换向功率单元进行全面数字控制;

2.最大光伏输入电压60V,MPPT电压范围16V~60V,启动电压22V,2路MPPT,最大输入电流14A;

3.支持电网电压范围AC 180V~275V,频率45Hz~55Hz;

4. 额定输出功率800W,额定输出电流3.5A;

5.满载功率因数>0.99,峰值效率94.0%;

6.标称MPPT效率99.80%;


方案二:先楫HPM5361推挽谐振微型逆变器方案


图片


该demo为基于HPM5361IEG1的推挽谐振微型逆变器方案。采用两级变换结构, 前级为推挽DC-DC变换器,把PV电压转换为直流母线电压,供后级逆变使用。后级 为DC-AC逆变器,将直流电能变换为所需的交流电能。


系统框图:



方案测试数据:


方案三:基于STM32G474的400W微型逆变器方案



方案规格:


1. Vin(标准输入电压):36V

2. Vin_max(最大输入电压):55V

3. Vin_min(最小输入电压):18V

4. MPPT范围:20V至40V

5. Iin(标称输入电流):12A

6. Imax(最大输入电流):18A

7. Vbus(DC-DC标称输出电压):380V

8. Vbus_max(DC-DC最大输出电压):400V

9. Vac(交流标称输出电压):110VAC/60Hz、220VAC/50Hz

10. Iac(交流最大输出电流):1.8A/220VAC、3.6A/110VAC

11. Pac(最大输出功率):400W


方案优势:


1. 电源应用 : 400W Microinverter 

2. 数位控制 (主控制芯片 : STM32G474 )

3. 使用单一 MCU做 MPPT 与 Inverter 控制功能

4. 使用 PLL 锁相环进行环路控制

5. 隔离型 MPPT 符合规范需求

6. 采用ST第三类 SiC半导体,高频操作缩小体积 

7. 太阳能转换成交流电并回电网


扫码可申请免费样片以及获取产品技术规格书


220x90
相关资讯
基于 RK3576 开发板的 MIPI 摄像头 ISP 全链路调试方案:主观调优与工程实战(下)

在上篇我们完成了 BLC、LSC、AWB 及 CCM 的客观标定、建立科学成像基准的基础上,本文将延续 ISP 调试流程,依次进行主观画质调试、IQ 文件配置与常见问题排查,直至实现全流程闭环落地。

4K分辨率+夜视算法!全新瑞芯微RV1126B摄像头方案上市

瑞芯微RV1126B夜视摄像头方案集成新一代AI双ISP(图像信号处理)模块、夜视算法,具备强大的图像处理与硬件加速能力

6~8TOPS算力、能跑OpenClaw,基于龙芯高性能SoC开发的工控盒子上新!

龙芯 2K3000/3B6000M MINI工控盒子,以龙芯八核自主 SoC为核心,打造全自主、小体积、强接口、高可靠的工业级计算平台

软件、硬件、方案Demo完全开源:国产具身智能开源机械臂关节伺服方案上架!

高性能MCU凭借高主频、DSP指令与硬件加速器,单芯片即可完成多轴伺服、观测器及非线性控制,解决了计算瓶颈与实时性问题

NXP高集成VS国产高算力电感式编码器在机器人关节控制中的选型对比

编码器作为设备的“精度心脏”,其性能直接决定了设备的定位准度、运行稳定性,甚至使用寿命。