峰值效率97%!高性能双向DC/DC双有源桥数字电源方案上市!

发布时间:2025-05-30 阅读量:2191 来源: 我爱方案网 作者: bebop

双向数字电源是一种能够在两个方向上进行能量转换的电源系统,既可以将直流电(DC)转换为交流电(AC),也可以反向操作,将交流电转换为直流电。其核心在于通过先进的控制算法和高效的功率变换电路实现能量的双向流动。
随着绿色能源、储能应用等领域的飞速发展,双向数字电源已成为现代电力电子技术领域的一个热门话题。这种电源不仅具备高效、节能的特点,还在智能电网、可再生能源及电动汽车等领域展现出广泛的应用前景。
在大功率应用中,我们必须避免需要缓冲电路来耗散泄漏能量的电路。此外,为了保持高效率,软开关是必须的。双有源桥式转换器(DAB)是唯一一种能够满足这两种要求的拓扑结构。
我爱方案网配合原厂发展方案商生态,推荐基于小华HC32F334数字电源控制器的双向DC/DC双有源桥(DAB,Dual Active Bridge)参考设计,方案具有响应速度快,系统效率高等优点,且在全负载范围内实现所有开关管软开关,最高效率高达96.8%。

扫码可申请免费样片以及获取产品技术规格书

图片

随着新能源需求的增加,大功率双向直流变换器受到越来越多的关注,双有源桥以其卓越的双向性能在新能源汽车、电力电子变压器、可再生能源发电等场合有着重要的应用。小华半导体基于HC32F334控制器推出了双有源桥DAB应用方案,其主要规格参数如下表所示:
表1 DAB方案规格参数
图片

传统的DAB调制策略为单移相控制(SPS),仅通过调节两侧H桥输出交流方波之间的移相角来控制功率的流动。SPS控制操作简单,并且能够实现重载状态下所有开关管的零电压开通,当电压传输比为1时,可以实现全功率范围内的ZVS。但当DAB的电压传输比不等于1时,在轻载状态下部分开关管将会失去ZVS特性,且SPS控制下电流应力大,进一步导致系统效率降低。

本参考设计为了优化控制,采用三重移相控制(TPS),引入了原边和副边的内移相这两个控制自由度,通过求得局部最优解实现所有开关管软开关特性以及最小电流应力,提高了系统效率。小华HC32F334数字电源控制器有丰富的模拟资源和HRPWM灵活发波模块,完全自主开发设计,支持12路130ps高精度HRPWM,特别支持相位寄存器高精度,很好的支持DAB移相控制的实现。



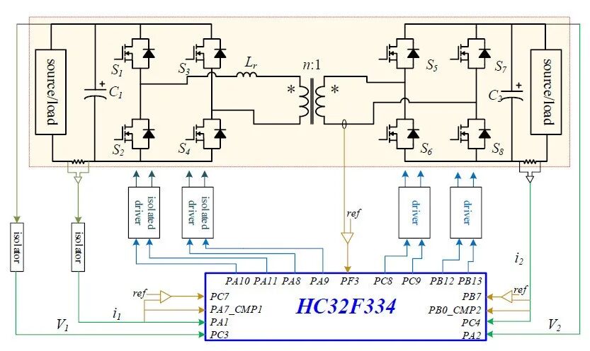
双有源桥DAB的拓扑结构和基于HC32F334的方案框图如图1.1所示。
图片
图1.1 小华DAB方案控制框图

该方案主要实验结果如下所示。
图片
图片
图1.2 DAB参考设计实验结果

方案的主要优势与特点概要总结如下表2所示。
表2 DAB方案优势与特点
图片



更多优质数字电源方案推荐:


小华HC32F334两路交错无桥图腾柱TCM_PFC方案


图片

方案采用互感器检测正、负向电流实现整流管OCP保护以及续流管负电流关断,同时实现交错控制。图5为满载电流交错以及主管实现ZVS的情况。图6为参考方案的THD、PF值以及效率曲线。参考方案的THD与PF值指标满足更加严格的M_CRPS标准。

             

图片

图 5 Vin>Vout/2下的ZVS实现以及电感电流交错波形


图片
图片


图 6 额定220V输入下THD曲线(左轴)和PF值(右轴)以及不同输入下的效率曲线


方案特色:

  输入电压:AC 176-264V

  输出电压:DC 420V

  功率:1600W

  峰值效率:98.5%

  频率范围:22.2kHz-300kHz

  PFC功率因素:峰值0.999

  THDI:2.5%@220V


小华HC32F334  3kW 两相交错全桥LLC方案(参考设计)

图片

方案简介:
交错式LLC电源拓扑能大幅度降低LLC输出电流纹波,可以减少输出侧滤波电容,从而减少系统体积;扩大单相LLC变换器的输出功率容量,相比直接并联,多相交错后相间易于均流;轻负载时还可以以单相全桥模式工作。所以已经广泛应用在中大功率工业领域。小华HC32F334专用数字电源控制器结合了交错LLC的发波时序和保护需求,完全自主开发设计,支持12路130ps高精度HRPWM。
方案特色:
输入电压:DC 380-420V
输出电压:DC 48V
功率:3000W
峰值效率:97%
谐振频率:132K
两相均流度:>95%
输出纹波:<1%
应用场景:
AC/DC、DC/DC数字电源应用,如通信与服务器电源、砖块电源、微逆、充电桩DC/DC等。

扫码可申请免费样片以及获取产品技术规格书

图片


220x90
相关资讯
基于 RK3576 开发板的 MIPI 摄像头 ISP 全链路调试方案:主观调优与工程实战(下)

在上篇我们完成了 BLC、LSC、AWB 及 CCM 的客观标定、建立科学成像基准的基础上,本文将延续 ISP 调试流程,依次进行主观画质调试、IQ 文件配置与常见问题排查,直至实现全流程闭环落地。

4K分辨率+夜视算法!全新瑞芯微RV1126B摄像头方案上市

瑞芯微RV1126B夜视摄像头方案集成新一代AI双ISP(图像信号处理)模块、夜视算法,具备强大的图像处理与硬件加速能力

6~8TOPS算力、能跑OpenClaw,基于龙芯高性能SoC开发的工控盒子上新!

龙芯 2K3000/3B6000M MINI工控盒子,以龙芯八核自主 SoC为核心,打造全自主、小体积、强接口、高可靠的工业级计算平台

软件、硬件、方案Demo完全开源:国产具身智能开源机械臂关节伺服方案上架!

高性能MCU凭借高主频、DSP指令与硬件加速器,单芯片即可完成多轴伺服、观测器及非线性控制,解决了计算瓶颈与实时性问题

NXP高集成VS国产高算力电感式编码器在机器人关节控制中的选型对比

编码器作为设备的“精度心脏”,其性能直接决定了设备的定位准度、运行稳定性,甚至使用寿命。