6T算力!瑞芯微高性能SoC开发的多路摄像头方案

发布时间:2025-08-29 阅读量:2936 来源: 我爱方案网 作者: bebop

在面对大规模城市治理、现代化工业生产线或全自主智能体等复杂系统时,其对环境感知能力的要求已远超单一信息源的承载极限。这些场景的核心需求——包括但不限于全局态势的综合掌控、关键目标的无缝追踪、异常事件的精准定位与溯源——直接催生并定义了多路摄像头方案的技术形态与优势。


目前多路摄像传输方案往往存在一定局限,接入路数有限,难以满足大规模监控场景的需求,且延迟较高,影响实时性,编码效率也不尽如人意,通常会占用大量带宽和存储资源。


在此背景下,我爱方案网推荐米尔瑞芯微RK3576多路摄像头方案,实现了12路高清视频流H264高效编码与RTSP低延迟推流,端到端延迟约140ms。


扫码可申请免费样片以及获取产品技术规格书

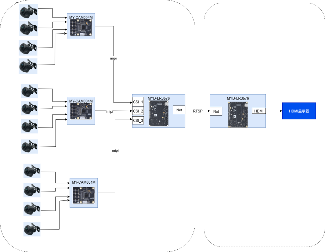
瑞芯微RK3576多路摄像头方案


方案主控芯片采用瑞芯微高性能SoC RK3576,先进8nm制程工艺,集成四核Cortex-A72(主频2.2GHz)与四核Cortex-A53(主频2.0GHz),配备Mali-G52 MC3图形处理单元,VPU视频编解码单元,以及搭配6TOPS算力NPU。

图片


图片

STEP1使用12路AHD摄像头抓流后编码推流

方案拥有3路4lan MIPI-CSI接口,搭配视频转换模块可以接入12路1920*1080 30帧)AHD高清摄像头使用RGA图片处理后再经过VPU单元模块编码成H264码流通过网络RTSP推流。此过程视频延迟在80~100ms以内。

抓取视频流编码后RTSP推送流程

图片

 RGA处理单元占有率

图片

CPU处理单元占有率

图片

STEP2:方案接收视频流显示

图片

CPU占有率

图片

GPU占有率

图片

由于通过网络传输和解码,会产生40~50ms左右延迟,最终从视频抓取,编码,RTSP传输,再到解码播放延迟在120~150ms。

对比两个过程各单元占用情况

图片

方案应用场景

工业安防下12路摄像头对于RK3576只能算是热身,别忘了它还有6TOPS的NPU没发挥,它也能胜任如下应用场景:

智能安防监控领域:作为中枢核心,轻松驾驭多路监控摄像头的视频流,实现全方位、无死角的实时监控。

工业视觉处理网关:精准处理工业生产中的各类视觉数据,助力智能制造。

车载环视融合平台:将多个车载摄像头的画面高效融合,为驾驶安全保驾护航。

智慧社区AI防控高空抛物监测,陌生人预警,电动车进电梯等。

更多瑞芯微安防监控摄像头应用方案推荐,它们是能批量出货的稳定方案PCBA。

瑞芯微RV1126 USB AI 800万像素摄像头模组

图片
方案主控采用瑞芯微RV1126芯片,搭载 800 万超高清摄像头传感器 IMX415,有效分辨率达 3840*2160,支持音视频采集,达 4K@30fps,配置USB Type C 接口,标准 UVC/UAC 协议,免驱动,具备抓拍速度快、识别准确性高、待机时间长、拍摄效果优秀及视频流畅度好等优势。
瑞芯微RV1126 IPC摄像头模组50板


图片


TC-1126 IPC摄像头模组 50板是视频处理电路与摄像头组合的即插即用模块,非常适合设备终端客户快速导入AI和自动化智能,包括人脸识别、手势识别、闸机门禁、停车场车牌识别、智能安防、IPC 智能网络摄像头、智能门铃/猫眼、自助终端、智慧金融、智慧工地、智慧出行等应用场景。本模块有三个标配摄像头供选择,200万像素IMAX 307,500万像素IMAX 335,800万像素IMAX 415,他们都是用同一个主板,有多个音频接口。

瑞芯微RV1109 7寸200万单目工地版闸机人脸识别方案

图片

方案简介:

基于瑞芯微RV1109主控芯片为核心的7寸200万单目工地版人脸识别模组套件,综合性能非常出众,CPU 双核 1.5GHz,人工智能算力1.2TFLOPS,采用宽动态低照度 CMOS人脸识别,速度达到 10ms 级别,可以让人脸识别真正做到无感体验。方案集成了大容量存储,本地最多可存储20000库,实现可靠的脱机识别。

方案优势:

识别距离超2米

支持0.3秒准确快速设别

屏幕支持7寸/8寸

支持200W双目活体摄像头

支持4K MIPI CSI,支持MIPI DSI,采用USB通讯接口,还预留常用端口的拓展

应用场景:

适用于工地进出闸机、工地安全监控等应用场景。

扫码可申请免费样片以及获取产品技术规格书


相关资讯
基于 RK3576 开发板的 MIPI 摄像头 ISP 全链路调试方案:主观调优与工程实战(下)

在上篇我们完成了 BLC、LSC、AWB 及 CCM 的客观标定、建立科学成像基准的基础上,本文将延续 ISP 调试流程,依次进行主观画质调试、IQ 文件配置与常见问题排查,直至实现全流程闭环落地。

4K分辨率+夜视算法!全新瑞芯微RV1126B摄像头方案上市

瑞芯微RV1126B夜视摄像头方案集成新一代AI双ISP(图像信号处理)模块、夜视算法,具备强大的图像处理与硬件加速能力

6~8TOPS算力、能跑OpenClaw,基于龙芯高性能SoC开发的工控盒子上新!

龙芯 2K3000/3B6000M MINI工控盒子,以龙芯八核自主 SoC为核心,打造全自主、小体积、强接口、高可靠的工业级计算平台

软件、硬件、方案Demo完全开源:国产具身智能开源机械臂关节伺服方案上架!

高性能MCU凭借高主频、DSP指令与硬件加速器,单芯片即可完成多轴伺服、观测器及非线性控制,解决了计算瓶颈与实时性问题

NXP高集成VS国产高算力电感式编码器在机器人关节控制中的选型对比

编码器作为设备的“精度心脏”,其性能直接决定了设备的定位准度、运行稳定性,甚至使用寿命。