发布时间:2026-01-13 阅读量:823 来源: 我爱方案网 作者: suii
无感电机FOC(磁场定向控制)算法,通过实时估算转子位置,无需霍尔传感器,从根本上消除了传感器损坏、安装误差及磁场干扰等故障源,较传统有感/无感方波方案大幅提升系统的耐久性与环境适应性。
无感FOC输出平滑的正弦电流,显著降低电机噪音与转矩脉动,实现两轮电动车静音、平稳的加速体验。同时,其高精度的磁场定向控制提升了全速域效率,尤其在高速工况下节能效果明显,有助于延长续航里程。
快包分析师推荐小华HC32F460、HC32M120的电机驱动控制方案,方案采用精简外围电路,降低了BOM成本与PCB面积,无传感器的设计减少了维护需求,无感FOC算法结合高集成度硬件方案,为两轮电动车带来了更高效、静音且响应灵敏的驱动体验。
扫码可申请免费样片以及获取产品技术规格书

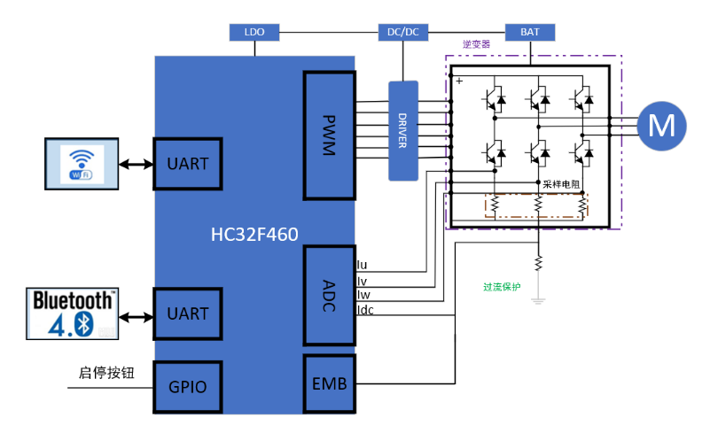
基于HC32F460的车辆启停控制方案

方案采用无感FOC控制算法,额定工作电压28V,最高发电电压42V,转速范围200~4800r/min,支持恒功率及变功率运行模式,具有运行噪音低、电流谐波小等优点。具有最高发电电压可配置、电动和发电状态线性切换等特点,拥有完善的电压保护、电流保护、堵转保护、功率保护、一键启动等功能。
方案特点:
• 基于HC32F460开发,支持恒功率运行,变功率智能控制运行等
• 支持静止、顺逆风启动模式,启动迅速可靠
• 最高发电电压可调,功率可调
• 支持一键启动及线性停机
• 200MHz 32bit ARM Cortex-M4控制芯片,内核集成FPU及DSP,满足电动和发电状态算力需求
• 高性能电机专用PWM TIMER,支持死区保护、EMB等硬件保护功能
• 两个独立12bit 2.5Msps ADC,灵活支持多种采样模式
• 内置VC、CAN、QSPI等
案例:
在混合动力汽车P0/P1构型的电动/发电一体化控制器(ISG)应用中,基于HC32F460的车辆启停控制方案在性能与成本上优势显著。以200MHz Cortex-M4内核及双12位ADC支持超过20kHz的电流环更新率,使系统响应时间从5ms缩短至2ms,并通过控制算法将模式切换时的扭矩冲击降低70%,转速控制精度由±50r/min提升至±10r/min。硬件方面,HC32F460车辆启停控制方案比传统多芯片方案在主控硬件成本降低约25%,实现了高性能与低成本的统一。
扫码可申请免费样片以及获取产品技术规格书
基于HC32M120的两轮电动车电机驱动方案

方案采用HC32M120系列MCU,基于ARM® Cortex®-M0+内核,主频最高48MHz,集成32KB Flash与4KB SRAM,具备预取指、指令缓存及DMA机制,支持外设事件互发与低功耗运行。实现EBS、能量回馈、HDC、霍尔修复、相序自识别、一线通、三速、GB_25KM、1:1电动助力等核心功能的同时,可有效降低CPU负载,适用于对集成度与能效要求较高的嵌入式控制系统。
方案特点:
• 48MHz主频、2个独立OPA、高速ADC、电机专用TIMER、温度范围:-40℃~105℃
• 丰富的基础函数库、SVPWM系统、电机专用控制库模块
• FOC控制系统优势(正弦电流、转矩平稳、低噪音)
• 平地/坡道/溜坡/滑行/带载启动优势(启动转矩大、重载启动高可靠)
• 客制化控制流程优势(丰富的模块化电机库)
• 完善的系统保护功能(过流、过压、欠压、堵转、飞车、短路等保护)
扫码可申请免费样片以及获取产品技术规格书
在光伏发电系统的技术演进中,逆变器作为连接新能源发电系统(光伏、风电)与电网的核心电力电子装置,负责将直流电(DC)转换为与电网同频、同相的交流电(AC)并馈入电网,并且能直接决定着电能转换效率、电能质量和系统稳定性。
随着人工智能技术的快速变革,安防监控摄像头融合了前沿的AI技术,从早期的图像记录发展到如今具备AI运算能力和算法,可进行目标识别、行为分析以及事件反馈,完成了从被动记录到主动预警的智能化升级。
FPGA技术具备专用集成电路(ASIC)的高性能与低延迟特性,还拥有通用处理器的灵活性,非常适用于对实时性、可靠性和定制化要求高的场景。
在上篇我们完成了 BLC、LSC、AWB 及 CCM 的客观标定、建立科学成像基准的基础上,本文将延续 ISP 调试流程,依次进行主观画质调试、IQ 文件配置与常见问题排查,直至实现全流程闭环落地。
瑞芯微RV1126B夜视摄像头方案集成新一代AI双ISP(图像信号处理)模块、夜视算法,具备强大的图像处理与硬件加速能力