发布时间:2026-02-5 阅读量:4106 来源: 我爱方案网 作者: bebop
在工业自动化、电动汽车与精密家电等领域,电机驱动系统的可靠性、能效与智能化水平已成为核心竞争指标。传统有刷直流或感应电机控制方案因存在转矩脉动、调速范围窄及动态响应滞后等问题,难以满足高性能应用场景的需求。
与上述电机相比,无刷直流电机(BLDC)具有电机效率高、驱动控制方式多样化、驱动控制算法复杂、可靠性高、噪音低、能耗低等优势,可在较宽调速范围内实现快响应、高精度的变速效果,充分契合终端应用领域对节能降耗、智能控制、用户体验等越来越高的要求,被广泛应用于智能家居、工业机器人、数控机床等自动化设备中。
BLDC电机与其他主流电机的比较
注:图源峰岹科技
扫码可申请免费样片以及获取产品技术规格书

1.高速电机方案

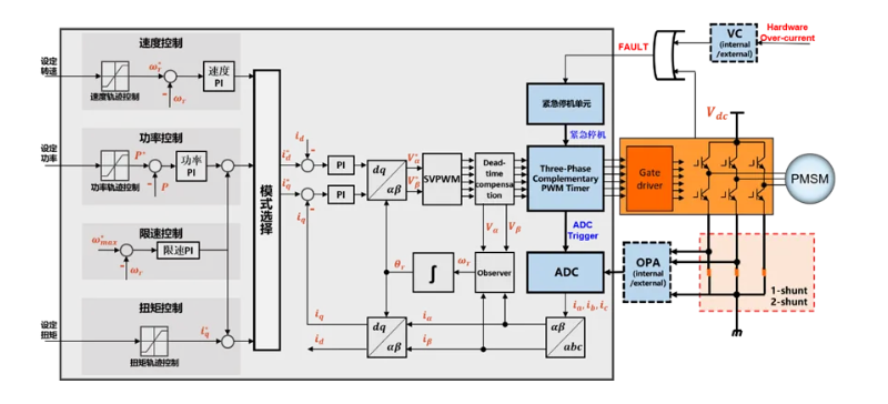
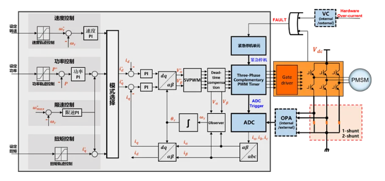
方案可选用HC32M140、HC32M120、HC32F460作为主控,采用无感FOC控制系统,支持单电阻、双电阻采样,可工作在恒转速、恒功率、恒扭矩等模式下。系统最高转速可达12万转(当使用HC32F460时更可高达15万转),适用于高速吹风机、高速吸尘器等产品。
方案特点
快速启动:启动稳定可靠,可在500ms内加速至额定转速
快速停机:采用主动刹车,无过压、过流风险,支持掉电刹车
高速控制:最高电转速可达2000+Hz
工作电压范围大:适用220VAC、110VAC、24VDC供电
丰富的保护功能:过欠压、过流、过功率、堵转、缺相等系统保护
应用场景:
吹风机、扫地机、吸尘器、冰箱、空调、洗衣机等大小家电领域。




扫码可申请免费样片以及获取产品技术规格书

在光伏发电系统的技术演进中,逆变器作为连接新能源发电系统(光伏、风电)与电网的核心电力电子装置,负责将直流电(DC)转换为与电网同频、同相的交流电(AC)并馈入电网,并且能直接决定着电能转换效率、电能质量和系统稳定性。
随着人工智能技术的快速变革,安防监控摄像头融合了前沿的AI技术,从早期的图像记录发展到如今具备AI运算能力和算法,可进行目标识别、行为分析以及事件反馈,完成了从被动记录到主动预警的智能化升级。
FPGA技术具备专用集成电路(ASIC)的高性能与低延迟特性,还拥有通用处理器的灵活性,非常适用于对实时性、可靠性和定制化要求高的场景。
在上篇我们完成了 BLC、LSC、AWB 及 CCM 的客观标定、建立科学成像基准的基础上,本文将延续 ISP 调试流程,依次进行主观画质调试、IQ 文件配置与常见问题排查,直至实现全流程闭环落地。
瑞芯微RV1126B夜视摄像头方案集成新一代AI双ISP(图像信号处理)模块、夜视算法,具备强大的图像处理与硬件加速能力