发布时间:2026-02-24 阅读量:7025 来源: 我爱方案网 作者: suii
与传统的单级拓扑或两级隔离拓扑相比,在微型逆变器中采用推挽+全桥的复合逆变拓扑,通过高频化设计优化磁性元件体积与系统功率密度,能实现高效电气隔离与升压,输出电压波形质量更好,谐波含量更低。
推挽+全桥拓扑通过前后级分工协作,前级推挽负责高效隔离与MPPT稳压,后级全桥实现高质量并网同步,大幅优化了损耗分布和磁性元件体积,非常适合对效率、功率密度和可靠性要求极高的微型逆变器应用。
快包分析师推荐高性能MCU开发的三款微型逆变器方案供用户选型,方案源代码&原理图开源可交付,峰值效率均高达98%,可降低解决方案成本并缩小设计尺寸。
即刻扫描二维码!可申请免费样片及方案技术资料

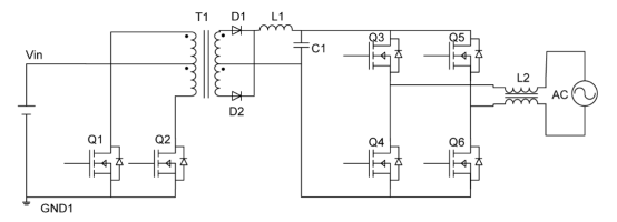
基于TAE32F5300的800W微型逆变器方案

使用国产TAE32F5300芯片作为主控芯片实现 800W 微型逆变器的控制,实现反激电源的DCM 模式控制以及交错反激电源控制。利用软件锁相技术实现对交流电压的相位锁定;选用推挽+全桥逆变的拓扑开发,导通损耗小,具有更高的效率。
方案参数:

方案拓扑结构图:

基于STM32G474的400W微型逆变器方案

方案基于STM32G474系列MCU实现单芯片控制,集成了最大功率点跟踪(MPPT)与逆变器功能,系统集成度高。采用隔离架构,将光伏输入转换为标称380V直流母线电压,并通过PLL锁相环实现精确的电网同步,确保并网电能质量。关键功率器件采用第三代SiC半导体,支持高频高效工作,显著减小了系统体积与损耗。
方案参数:
· Vin(标准输入电压):36V
· Vin_max(最大输入电压):55V
· Vin_min(最小输入电压):18V
· MPPT范围:20V至40V
· Iin(标称输入电流):12A
· Imax(最大输入电流):18A
· Vbus(DC-DC标称输出电压):380V
· Vbus_max(DC-DC最大输出电压):400V
· Vac(交流标称输出电压):110VAC/60Hz、220VAC/50Hz
· Iac(交流最大输出电流):1.8A/220VAC、3.6A/110VAC
· Pac(最大输出功率):400W
方案优势:
· 电源应用: 400W Microinverter
· 数位控制(主控制芯片 : STM32G474 )
· 使用单一MCU做 MPPT 与 Inverter 控制功能
· 使用PLL 锁相环进行环路控制
· 隔离型MPPT 符合规范需求
· 采用ST第三类 SiC半导体,高频操作缩小体积
· 太阳能转换成交流电并回电网
即刻扫描二维码!可申请免费样片及方案技术资料
基于G32R501的800W双路MPPT微型逆变器方案

方案通过G32R501实时控制MCU实现光伏微逆变器的数字控制,集成反激功率单元和换向功率单元,并可同时接入两路光伏输入,具有独立MPPT功能,额定功率800W,可使用锁相环追踪电网角度,支持并网运行模式。

方案特点:
· 基于G325R01实时控制MCU单芯片方案,对反激和换向功率单元进行全面数字控制
· 最大光伏输入电压60V,MPPT电压范围16V~60V,启动电压22V,2路MPPT,最大输入电流14A
· 支持电网电压范围AC 180V~275V,频率45Hz~55Hz
· 额定输出功率800W,额定输出电流3.5A
· 满载功率因数>0.99,峰值效率94.0%
· 标称MPPT效率99.80%
· 工作温度-40℃~60℃,自然散热
即刻扫描二维码!可申请免费样片及方案技术资料
无刷直流电机(BLDC)的无传感器控制技术是现代电机控制领域的重要技术方向,通过检测反电动势过零点来确定转子位置,实现无位置传感器的精确控制。
我爱方案网推荐基于瑞芯微RV1106/03B产品推出的低功耗AOV IPC方案,其搭载的AOV(Always on Video)全时录像技术,从根本上打破了这一困局。
作为一种基于“基础指令集+扩展模块”设计的开源、免费、模块化指令集架构,RISC-V的核心优势在于支持各种协议能够灵活适配各类计算场景,尤其在AI边缘计算和物理AI(如机器人)领域表现出色,被视为下一代算力基石。
电池管理系统(BMS)由电池管理单元(BMU)、电池监测单元(CMU)和电池接线盒(BJB)三个模块组成,是用于监测和管理电池系统性能的关键组件。
在伺服系统迈向高精度与高动态响应的技术演进中,电流环作为最内层的核心控制回路,其采样精度与实时性直接决定了系统的性能上限。